Мотор-редуктор червячный NMRV 040

Мотор-редукторы NMRV

Червячный мотор-редуктор NMRV 040 является приводом общего назначения. Комплектуется асинхронными двигателями стандарта IEC мощностью 0,06 – 0,75 кВт. Выходной вал полый диаметром 18 мм. В качестве опций с редуктором поставляются выходные валы, фланцы и реактивные тяги.

Вернуться в общее описание

 

Редукторы NMRV имеют следующие типоразмеры:

nmrv 030, nmrv 040, nmrv 050, nmrv 063, nmrv 075, nmrv 090, nmrv 110, nmrv 130, nmrv 150

  • Типоразмер - 040 - изготавливается из алюминиевого сплава, литого под давлением;
  • Нагрузочная способность в соответствии с: ISO 14521, ISO 6336, DIN 3990, DIN 743, ISO 281, DIN 3996, BS 721, AGMA 6034;
  • Передаточное отношение - 5 - 100;
  • Мощность электродвигателя - 0,06 - 0,75 квт;
  • Момент на выходном валу - 1,8 - 53 Нм;
  • Окраска редуктора синяя - RAL 5010.

 

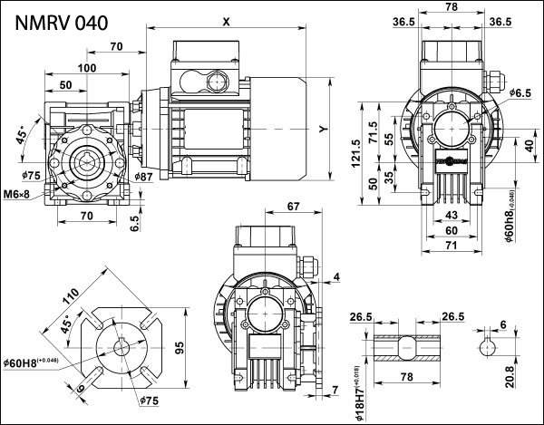
Габаритные и присоединительные размеры NMRV 040

Габаритные и присоединительные размеры NMRV 040

 

Выходные обороты и мощность электродвигателя

Мощность электродвигателя в кВт
Скорость вращения выходного вала в об/мин
Момент на выходном валу в Нм
Сервис-фактор s/f
Передаточное отношение - i
Габарит и количество полюсов электродвигателя
Максимальная радиальная нагрузка на выходной вал
0,06
18.0
18
2.3
50
63А6
2868
15.0
21
1.9
60
3047
11.3
24
1.4
80
3354
9.0
27
1.2
100
3490
0,09
28.0
19
2.0
50
56B4
2475
23.3
21
1.7
60
2630
17.5
26
1.3
80
2895
14.0
29
1.0
100
3118
30.0
19
2.6
30
63B6
2419
22.5
24
1.9
40
2662
18.0
27
1.5
50
2868
15.0
31
1.3
60
3047
11.3
37
1.0
80
3354
9.0
41
0.8
100
3490
0,12
46.7
17
2.6
30
63A4
2087
35.0
21
1.9
40
2298
28.0
25
1.5
50
2475
23.3
28
1.3
60
2630
17.5
34
1.0
80
2895
14.0
38
0.8
100
3118
30.0
25
1.9
30
63C6
2419
22.5
32
1.4
40
2662
18.0
36
1.2
50
2868
15.0
41
0.9
60
3047
0,18
93.3
14
2.4
30
63A2
1657
70.0
18
1.8
40
1824
56.0
21
1.4
50
1964
70.0
19
2.0
20
63B4
1824
56.0
23
1.7
25
1964
46.7
26
1.7
30
2087
35.0
32
1.3
40
2298
28.0
38
1.0
50
2475
23.3
43
0.8
60
2630
45.0
29
1.5
20
71A6
2113
36.0
34
1.3
25
2276
30.0
38
1.3
30
2419
22.5
47
1.0
40
2662
0,25
280.0
8
4.5
5
71A4
1149
186.7
11
3.6
7.5
1315
140.0
14
2.8
10
1447
93.3
21
1.9
15
1657
70.0
27
1.5
20
1824
56.0
32
1.2
25
1964
46.7
36
1.3
30
2087
35.0
44
0.9
40
2298
180.0
12
3.5
5
71B6
1331
120.0
17
2.6
7.5
1524
90.0
22
2.0
10
1677
60.0
31
1.4
15
1920
45.0
40
1.1
20
2113
36.0
48
0.9
25
2276
30.0
53
0.9
30
2419
0,37
560.0
5.7
4.2
5
71A2
912
373.3
8.4
3.3
7.5
1044
280.0
11
2.6
10
1149
186.7
16
1.9
15
1315
140.0
21
1.4
20
1447
112.0
25
1.1
25
1559
280.0
11
3.0
5
71 B4
1149
186.7
16
2.4
7.5
1315
140.0
21
1.9
10
1447
93.3
31
1.3
15
1657
70.0
39
1.0
20
1824
56.0
47
0.8
25
1964
46.7
53
0.8
30
2087
0,55
560.0
8.4
2.8
5
71B2
912
373.3
13
2.2
7.5
1044
280.0
17
1.8
10
1149
186.7
24
1.3
15
1315
140.0
31
0.9
20
1447
112.0
37
0.8
25
1559
280.0
17
2.0
5
80A4
1149
186.7
24
1.6
7.5
1315
140.0
32
1.3
10
1447
93.3
46
0.9
15
1657
0,75
560.0
12
2.1
5
80A2
912
373.3
17
1.6
7.5
1044
280.0
23
1.3
10
1149
186.7
32
1.0
15
1315

 

Пример заказа редуктора:

NMRV - 040 - 60 - 24 - 0,06 - B3

NMRV - модель червячного редуктора
040 - габарит межцентровое расстояние в мм
60 - передаточное число
28 - скорость вращения выходного вала, об/мин
0,06 - мощность электродвигателя, кВт
B3 - расположение в пространстве

 

 
© 2014 Редукторы, мотор-редукторы, устройства плавного пуска, преобразователи частоты