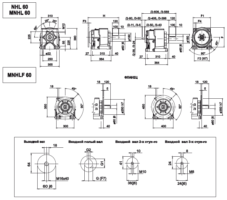
Габаритно-присоединительные размеры MNHL 60

 

Назад

Габаритно-присоединительные размеры MNHL 60

60/2 - 60/3
G
G1
G2
F
F1
F2
F3
F4
Н
/2(/2F)... 100-112 В5
28
31,3
8
250
215
180
25
М12
551
/2...132 B5/2F...132 В5
38
41,3
10
300
265
230
25
М12
551
/2...160 B5/2F...160 В5
42
45,3
12
350
300
250
25
17
551
/2...180 B5/2F...180 В5
48
51,8
14
350
300
250
25
17
551
/2...200 B5/2F...200 В5
55
59,3
16
400
350
300
25
18
551
13... 80 B5/3F ... 80 В5
19
21,8
6
200
165
130
15
11,5
534
13... 90 B5/3F ... 90 В5
24
27,3
8
200
165
130
15
11,5
534
/3(/3F)... 100-112 В5
28
31,3
8
250
215
180
15
14
537
/3...132 B5/3F...132 В5
38
41,3
10
300
265
230
15
14
537

Назад

 
© 2014 Редукторы, мотор-редукторы, устройства плавного пуска, преобразователи частоты