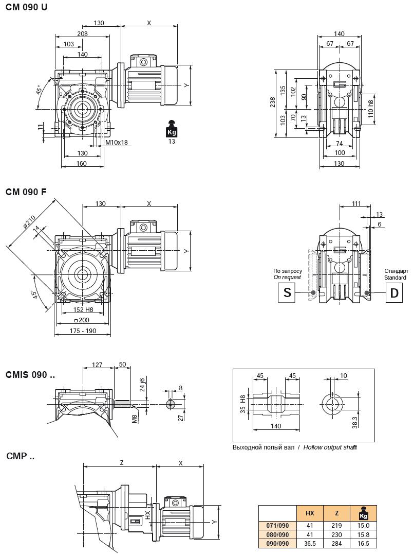
Мотор-редуктор червячный одноступенчатый серии CM090 служит для передачи угловой скорости вращения от двигателя к исполнительному устройству. Редуктор имеет полый вал диаметром 35 мм. В качестве опций с мотор-редуктором поставляются валы, фланцы и реактивные штанги.

|